auggie with mpg
-
Richard Cullin
- Old Timer
- Posts: 152
- Joined: Sat Jun 02, 2012 5:45 am
Re: auggie with mpg
Looks to me like the pendent should work as long as its turned on, and auggie is in state 10 expecting mpg use.
Ill send a note to the developer to ask..
Art
Ill send a note to the developer to ask..
Art
Re: auggie with mpg
Richard:
No, sorry, wont work.
The pendent inputs are like IO for an application. Id have to add a pendent module to
take advantage of it. I can probably add axis script calls to set an axis's mpg though. Im
looking into it.
Thx
Art
No, sorry, wont work.
The pendent inputs are like IO for an application. Id have to add a pendent module to
take advantage of it. I can probably add axis script calls to set an axis's mpg though. Im
looking into it.
Thx
Art
-
Richard Cullin
- Old Timer
- Posts: 152
- Joined: Sat Jun 02, 2012 5:45 am
Re: auggie with mpg
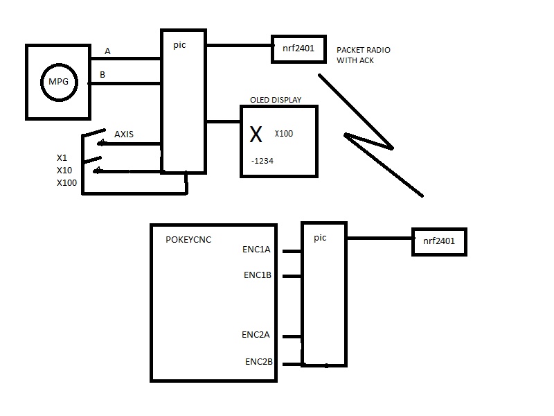
I have set up a pic chip to emulate quadrature re signals on the pokey encoder pins for x y axis , another pic sends in positioning data wirelessly. its all on bread boards but looks good functionally . have not tried x1 x10 x100 pulse multiplying yet or control of jogging speed by clocking quadrature output pulse rate
I think I can live with this solution , one pg can now control multiple axis' and its cordless . a nice touch would be an axis set zero button on the pendant
I think I can live with this solution , one pg can now control multiple axis' and its cordless . a nice touch would be an axis set zero button on the pendant
Last edited by Richard Cullin on Sun Jul 01, 2018 11:11 pm, edited 1 time in total.
Re: auggie with mpg
Good idea. Well done.
The ratios may be harder to handle, they sound it anyway. At some point Ill get there.
Art
The ratios may be harder to handle, they sound it anyway. At some point Ill get there.
Art
-
Richard Cullin
- Old Timer
- Posts: 152
- Joined: Sat Jun 02, 2012 5:45 am
Re: auggie with mpg
I have reached a brick wall trying to control mpg jog speed, no matter how fast I send encoder pulses the tool velocity won't exceed 100 or so mm/min . the speed ramps up from 0 to 100 nicely then won't increase past that point . I can set quadrature pulse rate > 5khz .
sorry ignore this , the max x/y velocity was incorrect set to 100 on this test config
sorry ignore this , the max x/y velocity was incorrect set to 100 on this test config
Last edited by Richard Cullin on Tue Jul 03, 2018 8:14 pm, edited 1 time in total.
Re: auggie with mpg
Richard:
I too do that all the time, thinking its broke I end up finding I set a limit on myself somewhere. :)
Let us know how it all works out.
Art
I too do that all the time, thinking its broke I end up finding I set a limit on myself somewhere. :)
Let us know how it all works out.
Art
-
Richard Cullin
- Old Timer
- Posts: 152
- Joined: Sat Jun 02, 2012 5:45 am
Re: auggie with mpg
the remote end of the cordless auggie mpg
Last edited by Richard Cullin on Sun Jul 08, 2018 11:16 pm, edited 1 time in total.
Re: auggie with mpg
Cordless MPG's.. hard to imagine a handier item than that!
I bow in your general direction. :)
Looks like excellent work. How do you find it in operation?
Art
I bow in your general direction. :)
Looks like excellent work. How do you find it in operation?
Art
-
Richard Cullin
- Old Timer
- Posts: 152
- Joined: Sat Jun 02, 2012 5:45 am
Re: auggie with mpg
its not on the laser yet , still waiting parts for the pokeys end .so far it looks good on the auggie screen
on slow its 1.6 mm/mpg turn @ 800mm/min max rate
on fast its 16 mm/mpg turn @ 1600mm/min max rate
left button steps axis xyz right button selects speed
the nrf comms sends a signed move value to the pokeys end queue as fast as the receiver sends ack packets.
nrf2401 coms is set for 4 byte packet @250kbps with ack and 4 retries.
the queue is pretty shallow so that the machine can't go too far in larlar land if you overwhelm it with fast winding of mpg knob, packets get abandoned if the queue can't keep up. the idea is when you stop turning the knob the machine stops.
I don't know if you have much knowledge of what a pic mcu is capable of but the rx end chip has these things called configurable logic cells. i'm using two of these set as d type flipflops to generate a quadrature output. I can clock this at any speed from dc to daylight (10's of megahertz anyway), one of the timer/counters is used to regulate the clock to a precise number of pulses while another sets the speed. so its pretty simple to set mpg speed / distance and its all done in hardware
on slow its 1.6 mm/mpg turn @ 800mm/min max rate
on fast its 16 mm/mpg turn @ 1600mm/min max rate
left button steps axis xyz right button selects speed
the nrf comms sends a signed move value to the pokeys end queue as fast as the receiver sends ack packets.
nrf2401 coms is set for 4 byte packet @250kbps with ack and 4 retries.
the queue is pretty shallow so that the machine can't go too far in larlar land if you overwhelm it with fast winding of mpg knob, packets get abandoned if the queue can't keep up. the idea is when you stop turning the knob the machine stops.
I don't know if you have much knowledge of what a pic mcu is capable of but the rx end chip has these things called configurable logic cells. i'm using two of these set as d type flipflops to generate a quadrature output. I can clock this at any speed from dc to daylight (10's of megahertz anyway), one of the timer/counters is used to regulate the clock to a precise number of pulses while another sets the speed. so its pretty simple to set mpg speed / distance and its all done in hardware
-
Richard Cullin
- Old Timer
- Posts: 152
- Joined: Sat Jun 02, 2012 5:45 am
Re: auggie with mpg
art
next time you review auggie code , no big deal.
mpg button . when you shutdown auggie with mpg active ,when restarted mpg button still shows as active but it not . you need to off/on it to get mpg going.
crosshairs. the crosshairs don't update when mpg jogging unless you repeatedly move the mouse over the plot window
next time you review auggie code , no big deal.
mpg button . when you shutdown auggie with mpg active ,when restarted mpg button still shows as active but it not . you need to off/on it to get mpg going.
crosshairs. the crosshairs don't update when mpg jogging unless you repeatedly move the mouse over the plot window
Re: auggie with mpg
Thx. Noted for update when Im in there.
Art
Art
-
Richard Cullin
- Old Timer
- Posts: 152
- Joined: Sat Jun 02, 2012 5:45 am
Re: auggie with mpg
parts arrived for pokeys end . its behaving perfectly on the bench .
decided to calibrate the mpg to match the 100 indents per turn it has . its now set that 1 click is 0.1mm on slow and 1.0 mm on fast. will see how that works out in real life.
still waiting for lipo battery and usb charge manager to finish the job
decided to calibrate the mpg to match the 100 indents per turn it has . its now set that 1 click is 0.1mm on slow and 1.0 mm on fast. will see how that works out in real life.
still waiting for lipo battery and usb charge manager to finish the job
-
Richard Cullin
- Old Timer
- Posts: 152
- Joined: Sat Jun 02, 2012 5:45 am
Re: auggie with mpg
just tried it out on the k40 , it works just like a bought one !
0.1 mm steps @ 900mm/m is ideal for positioning the laser , 1.0 mm steps @1800mm/m is way too fast for the k40 bed .
0.01 might be needed for touch off on the mill .
i have set the mpg up to have 3 axis's, each can have its own steps/mm setting stored in eeprom , with a built in setup menu.
0.1 mm steps @ 900mm/m is ideal for positioning the laser , 1.0 mm steps @1800mm/m is way too fast for the k40 bed .
0.01 might be needed for touch off on the mill .
i have set the mpg up to have 3 axis's, each can have its own steps/mm setting stored in eeprom , with a built in setup menu.
-
Richard Cullin
- Old Timer
- Posts: 152
- Joined: Sat Jun 02, 2012 5:45 am
Re: auggie with mpg
main reason behind this project was to make zeroing laser to the work easier . unfortunately just noticed that the laser test fire button is inoperative when mpg mode active , kinda defeats the purpose . defeat snatched out of the hands of victory.
now I need to build a red dot system too, unless anyone has some bright ideas
now I need to build a red dot system too, unless anyone has some bright ideas
Who is online
Users browsing this forum: No registered users and 2 guests
